Electrofusion Elbows
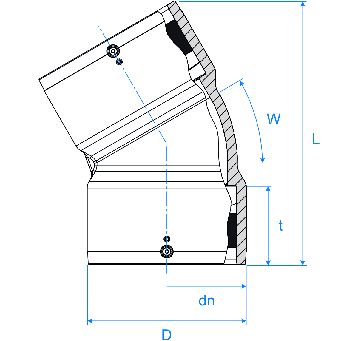
ABM - Sewage Coupler Elbow / PN10 / SDR17
| Product Code | dn | D | L1 | L | W | Availability in Hong Kong |
| P337E.020.160 | 160 | 185 | 92 | 279 | 15º | 8-12 weeks |
| P337E.021.160 | 160 | 185 | 92 | 306 | 30º | 8-12 weeks |
| P337E.022.160 | 160 | 185 | 92 | 320 | 45º | 8-12 weeks |
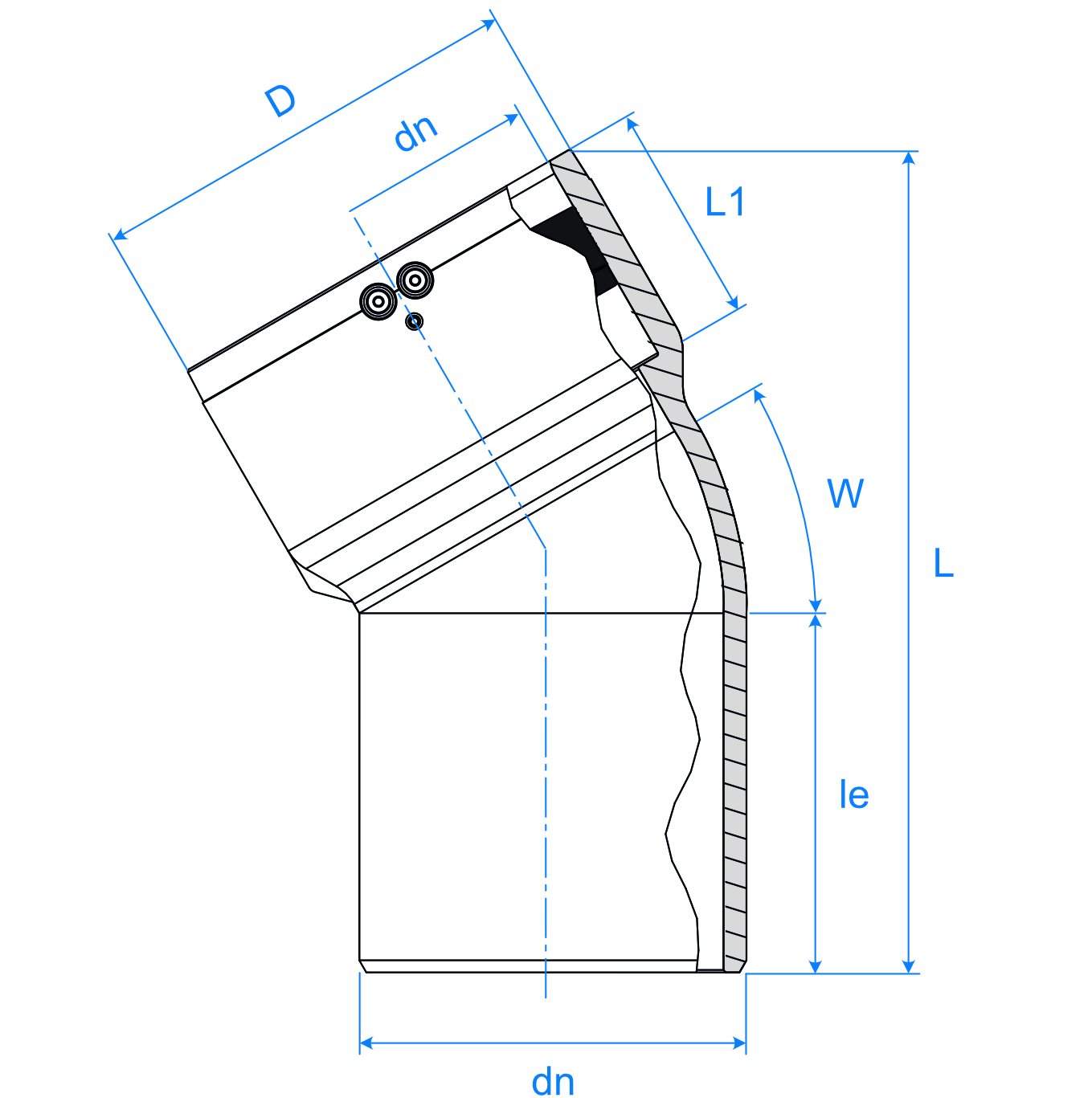
ABMS - Sewage Coupler Spigot / PN10 / SDR17
| Product Code | dn | D | le | L1 | L | W | Availability in Hong Kong |
| P337E.030.160 | 160 | 185 | 98 | 92 | 286 | 15º | 8-12 weeks |
| P337E.031.160 | 160 | 185 | 98 | 92 | 329 | 30º | 8-12 weeks |
| P337E.032.160 | 160 | 185 | 98 | 92 | 325 | 45º | 8-12 weeks |
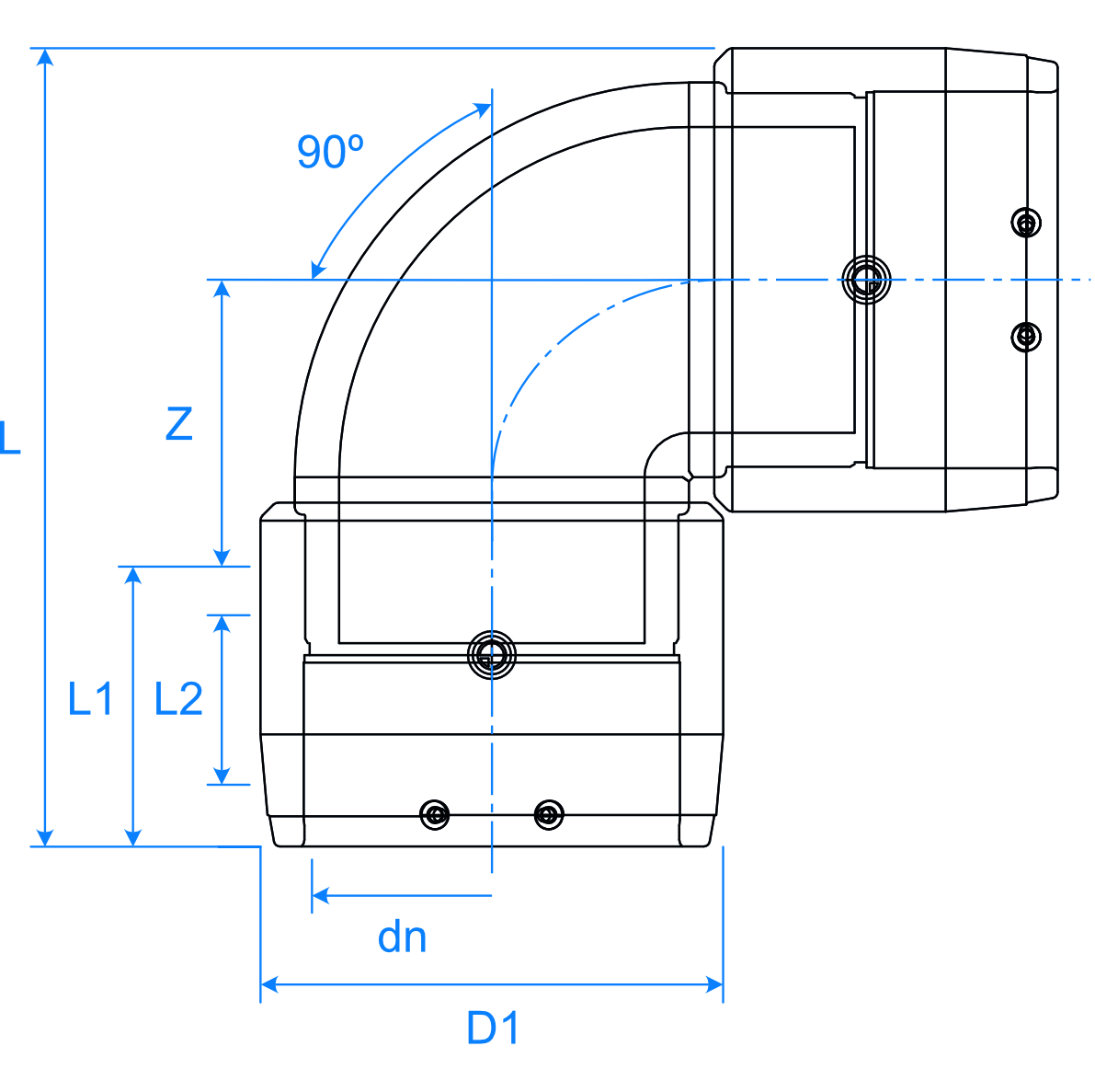
Black 90º Injection Moulded Electrofusion Elbows W90 / PN16 / SDR11
Friatec's PE100 RC Injection moulded electrofusion elbows are suitable for fusing pipes from SDR11 to SDR17.6 Electrofusion sockets feature all the same performance benefits found in black couplers along with built-in reinforcement, so no de-ration is required.
NOTE: The pipe ends and sockets must be prepared in accordance with the general installation instructions using a spigot mechanical peeler, 90% Isopropyl alcohol wipes and we recommend using the Friamat fusion control unit to achieve correct preheating and logging the full range of weld data available.
|
Product Code |
dn |
D1 |
L |
L1 |
L2 |
Z |
Availability in Hong Kong |
|
P3316.115.110 |
110 |
138 |
234 |
81 |
50 |
84 |
8-12 Weeks |
|
P3316.115.160 |
160 |
207 |
329 |
92 |
44 |
133 |
8-12 Weeks |
|
P3316.115.200 |
200 |
254 |
392 |
106 |
54 |
159 |
8-12 Weeks |
|
P3316.115.225 |
225 |
280 |
430 |
113 |
66 |
177 |
8-12 Weeks |
Black 90º Injection Moulded Electrofusion Elbows XL / PN16 / SDR11
Friatec's PE100 XL range of electrofusion elbows are suitable for fusing pipes from SDR11 to SDR17.6 Electrofusion sockets feature all the same performance benefits found with black couplers along with built-in reinforcement, so no de-ration is required. XL fittings have fused eyebolt holes for ease of handling on site.
NOTE: The electrofusion socket and pipe ends must be prepared in accordance with the general installation instructions using a spigot mechanical peeler, 90% Isopropyl alcohol wipes and we recommend using the Friamat fusion control unit to achieve correct preheating and logging the full range of weld data available.
Frialen Black Electrofusion elbows are made in Germany.
| Product Code | dn | D1 | L | L1 | L2 | Z | Availability in Hong Kong |
| P3316.115.250 | 250 | 310 | 534 | 128 | 80 | 251 | 8-12 weeks |
| P3316.115.280 | 280 | 350 | 621 | 139 | 84 | 307 | 8-12 weeks |
| P3316.115.315 | 315 | 396 | 677 | 150 | 80 | 329 | 8-12 weeks |
