Black Concentric
Black Concentric Electrofusion Reducer / MR / PN16 / SDR11
Frialen PE100 RC Injection moulded electrofusion reducers are suitable for fusing pipes from SDR11 to SDR17.6 Electrofusion sockets feature all the same performance benefits found in black couplers. All reducers are sealed in individual plastic bags for protection on site.
NOTE: The pipe and socket ends must be prepared in accordance with the general installation instructions using a spigot mechanical peeler, 90% Isopropyl alcohol wipes.
| Product Code | dn1 | dn2 | D1 | D2 | L | L1 | L2 | Z | Availability in Hong Kong |
| P3316.14.063050 | 63 | 50 | 82 | 68 | 125 | 55 | 48 | 22 | 8-12 weeks |
| P3316.14.090050 | 90 | 50 | 117 | 68 | 160 | 69 | 49 | 42 | 8-12 weeks |
| P3316.14.090063 | 90 | 63 | 117 | 82 | 160 | 69 | 55 | 36 | 8-12 weeks |
| P3316.14.110063 | 110 | 63 | 142 | 82 | 160 | 79 | 55 | 26 | 8-12 weeks |
| P3316.14.110090 | 110 | 90 | 140 | 115 | 180 | 79 | 69 | 32 | 8-12 weeks |
| P3316.14.125090 | 125 | 90 | 155 | 115 | 200 | 86 | 69 | 45 | 8-12 weeks |
| P3316.14.125110 | 125 | 110 | 157 | 137 | 202 | 95 | 70 | 37 | 8-12 weeks |
| P3316.14.160110 | 160 | 110 | 201 | 140 | 230 | 98 | 79 | 53 | 8-12 weeks |
| P3316.14.180125 | 180 | 125 | 214 | 155 | 275 | 108 | 74 | 93 | 8-12 weeks |
| P3316.14.225160 | 225 | 160 | 282 | 203 | 270 | 110 | 98 | 62 | 8-12 weeks |
Black Concentric Standard Reducer / Long Spigot
Mill-Pro PE100 black spigot concentric reducers are either injection moulded or machined from extruded hollow bar with factory butt-welded spigots for electrofusion joining in larger sizes. Standard sizes are shown below, however, fabricated reducers can be any size and this allows for significant reductions to be made in any size up to dn1000 in SDR11 and dn2000 in SDR 17. All reducers feature 1D and 2D bar code stickers for complete product traceability and are sealed in individual plastic bags for protection on site.
Listed below are standard reductions, however, we manufacture reductions in any combination of dn1 & dn2.
| Any reducer can be fabricated, only standard reductions are shown. For large step changes and special one-off reducers, contact us for dimensions. | |||||||
| PN10 SDR17 | PN16 SDR11 | dn1 | dn2 | le1 | le2 | Z | Availability in Hong Kong |
| P5314.14.090063 | P5316.14.090063 | 90 | 63 | 88 | 70 | 175 | 4-6 weeks |
| P5314.14.110063 | P5316.14.110063 | 110 | 63 | 110 | 75 | 195 | 4-6 weeks |
| P5314.14.110090 | P5316.14.110090 | 110 | 90 | 100 | 79 | 195 | 4-6 weeks |
| P5314.14.125063 | P5316.14.125063 | 125 | 63 | 105 | 75 | 195 | 4-6 weeks |
| P5314.14.125090 | P5316.14.125090 | 125 | 90 | 105 | 79 | 195 | 4-6 weeks |
| P5314.14.125110 | P5316.14.125110 | 125 | 110 | 105 | 82 | 200 | 4-6 weeks |
| P5314.14.160063 | P5316.14.160063 | 160 | 63 | 115 | 72 | 218 | 4-6 weeks |
| P5314.14.160090 | P5316.14.160090 | 160 | 90 | 102 | 79 | 220 | 4-6 weeks |
| P5314.14.160110 | P5316.14.160110 | 160 | 110 | 110 | 82 | 216 | 4-6 weeks |
| P5314.14.160125 | P5316.14.160125 | 160 | 125 | 110 | 87 | 215 | 4-6 weeks |
| P5314.14.180063 | P5316.14.180063 | 180 | 63 | 110 | 70 | 235 | 4-6 weeks |
| P5314.14.180090 | P5316.14.180090 | 180 | 90 | 105 | 79 | 240 | 4-6 weeks |
| P5314.14.180110 | P5316.14.180110 | 180 | 110 | 105 | 82 | 227 | 4-6 weeks |
| P5314.14.180125 | P5316.14.180125 | 180 | 125 | 105 | 87 | 240 | 4-6 weeks |
| P5314.14.180160 | P5316.14.180160 | 180 | 160 | 105 | 98 | 235 | 4-6 weeks |
| P5314.14.200063 | P5316.14.200063 | 200 | 63 | 130 | 77 | 260 | 4-6 weeks |
| P5314.14.200090 | P5316.14.200090 | 200 | 90 | 130 | 85 | 268 | 4-6 weeks |
| P5314.14.200110 | P5316.14.200110 | 200 | 110 | 130 | 88 | 260 | 4-6 weeks |
| P5314.14.200125 | P5316.14.200125 | 200 | 125 | 130 | 92 | 265 | 4-6 weeks |
| P5314.14.200160 | P5316.14.200160 | 200 | 160 | 130 | 105 | 268 | 4-6 weeks |
| P5314.14.200180 | P5316.14.200180 | 200 | 180 | 125 | 124 | 265 | 4-6 weeks |
| P5314.14.225110 | P5316.14.225110 | 225 | 110 | 138 | 115 | 285 | 4-6 weeks |
| P5314.14.225125 | P5316.14.225125 | 225 | 125 | 138 | 120 | 285 | 4-6 weeks |
| P5314.14.225160 | P5316.14.225160 | 225 | 160 | 138 | 120 | 285 | 4-6 weeks |
| P5314.14.225200 | P5316.14.225200 | 225 | 200 | 138 | 120 | 285 | 4-6 weeks |
| P5314.14.250110 | P5316.14.250110 | 250 | 110 | 129 | 105 | 280 | 4-6 weeks |
| P5314.14.250125 | P5316.14.250125 | 250 | 125 | 135 | 100 | 310 | 4-6 weeks |
| P5314.14.250160 | P5316.14.250160 | 250 | 160 | 129 | 115 | 280 | 4-6 weeks |
| P5314.14.250180 | P5316.14.250180 | 250 | 180 | 135 | 110 | 287 | 4-6 weeks |
| P5314.14.250200 | P5316.14.250200 | 250 | 200 | 129 | 115 | 275 | 4-6 weeks |
| P5314.14.250225 | P5316.14.250225 | 250 | 225 | 129 | 135 | 315 | 4-6 weeks |
| P5314.14.315160 | P5316.14.315160 | 315 | 160 | 150 | 115 | 310 | 4-6 weeks |
| P5314.14.315200 | P5316.14.315200 | 315 | 200 | 150 | 120 | 310 | 4-6 weeks |
| P5314.14.315225 | P5316.14.315225 | 315 | 225 | 150 | 125 | 310 | 4-6 weeks |
| P5314.14.315250 | P5316.14.315250 | 315 | 250 | 150 | 130 | 310 | 4-6 weeks |
| P5314.14.315280 | P5316.14.315280 | 315 | 280 | 150 | 145 | 315 | 4-6 weeks |
| P5314.14.355250 | P5316.14.355250 | 355 | 250 | 170 | 125 | 320 | 4-6 weeks |
| P5314.14.355315 | P5316.14.355315 | 355 | 315 | 165 | 140 | 325 | 4-6 weeks |
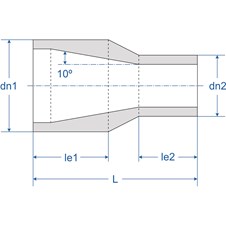
Black Concentric 10º Reducer / Long Spigot
| PN10 SDR17 | PN16 SDR11 | dn1 | dn2 | le1 | le2 | Z | Availability in Hong Kong |
| P5314.17.075063 | P5316.17.075063 | 75 | 63 | 70 | 63 | 139 | 4-6 weeks |
| P5314.17.090063 | P5316.17.090063 | 90 | 63 | 79 | 63 | 160 | 4-6 weeks |
| P5314.17.090075 | P5316.17.090075 | 90 | 75 | 79 | 70 | 157 | 4-6 weeks |
| P5314.17.110075 | P5316.17.110075 | 110 | 75 | 82 | 70 | 190 | 4-6 weeks |
| P5314.17.110090 | P5316.17.110090 | 110 | 90 | 82 | 79 | 171 | 4-6 weeks |
| P5314.17.125075 | P5316.17.125075 | 125 | 75 | 87 | 70 | 233 | 4-6 weeks |
| P5314.17.125090 | P5316.17.125090 | 125 | 90 | 87 | 79 | 202 | 4-6 weeks |
| P5314.17.160090 | P5316.17.160090 | 160 | 90 | 98 | 79 | 294 | 4-6 weeks |
| P5314.17.160110 | P5316.17.160110 | 160 | 110 | 98 | 82 | 249 | 4-6 weeks |
| P5314.17.160125 | P5316.17.160125 | 160 | 125 | 98 | 87 | 215 | 4-6 weeks |
| P5314.17.180090 | P5316.17.180090 | 180 | 90 | 105 | 79 | 349 | 4-6 weeks |
| P5314.17.180110 | P5316.17.180110 | 180 | 110 | 105 | 82 | 304 | 4-6 weeks |
| P5314.17.180125 | P5316.17.180125 | 180 | 125 | 105 | 87 | 270 | 4-6 weeks |
| P5314.17.200110 | P5316.17.200110 | 200 | 110 | 112 | 82 | 359 | 4-6 weeks |
| P5314.17.200125 | P5316.17.200125 | 200 | 125 | 112 | 87 | 325 | 4-6 weeks |
| P5314.17.200160 | P5316.17.200160 | 200 | 160 | 112 | 98 | 251 | 4-6 weeks |
| P5314.17.200180 | P5316.17.200180 | 200 | 180 | 112 | 105 | 227 | 4-6 weeks |
| P5314.17.225110 | P5316.17.225110 | 225 | 110 | 120 | 82 | 424 | 4-6 weeks |
| P5314.17.225125 | P5316.17.225125 | 225 | 125 | 120 | 87 | 389 | 4-6 weeks |
| P5314.17.225160 | P5316.17.225160 | 225 | 160 | 120 | 98 | 315 | 4-6 weeks |
| P5314.17.225180 | P5316.17.225180 | 225 | 180 | 120 | 105 | 271 | 4-6 weeks |
| P5314.17.225200 | P5316.17.225200 | 225 | 200 | 120 | 112 | 245 | 4-6 weeks |
| P5314.17.250160 | P5316.17.250160 | 250 | 160 | 130 | 98 | 382 | 4-6 weeks |
| P5314.17.250180 | P5316.17.250180 | 250 | 180 | 130 | 105 | 338 | 4-6 weeks |
| P5314.17.250200 | P5316.17.250200 | 250 | 200 | 130 | 112 | 294 | 4-6 weeks |
| P5314.17.250225 | P5316.17.250225 | 250 | 225 | 130 | 120 | 263 | 4-6 weeks |
| P5314.17.280160 | P5316.17.280160 | 280 | 160 | 139 | 98 | 471 | 4-6 weeks |
| P5314.17.280180 | P5316.17.280180 | 280 | 180 | 139 | 105 | 427 | 4-6 weeks |
| P5314.17.280200 | P5316.17.280200 | 280 | 200 | 139 | 112 | 383 | 4-6 weeks |
| P5314.17.280225 | P5316.17.280225 | 280 | 225 | 139 | 120 | 332 | 4-6 weeks |
| P5314.17.280250 | P5316.17.280250 | 280 | 250 | 139 | 130 | 284 | 4-6 weeks |
| P5314.17.315200 | P5316.17.315200 | 315 | 200 | 150 | 112 | 471 | 4-6 weeks |
| P5314.17.315225 | P5316.17.315225 | 315 | 225 | 150 | 120 | 419 | 4-6 weeks |
| P5314.17.315250 | P5316.17.315250 | 315 | 250 | 150 | 130 | 367 | 4-6 weeks |
| P5314.17.315280 | P5316.17.315280 | 315 | 280 | 150 | 139 | 307 | 4-6 weeks |
