Black Equal Tees / EF / SP
Black Spigot Equal Tee Fabricated
Fabricated Tee's are manufactured by machining PE100+ hollow bar into a fitting body and welding on spigot ends in according with BS ISO 21307. Fabricated Tee's feature long spigots for electrofusion or butt fusion joining and 1D and 2D bar code stickers for complete product traceability. All Tee's are sealed in individual plastic bags for protection on site.
NOTE: The spigot ends must be prepared in accordance with the general installation instructions using a spigot mechanical peeler, 90% Isopropyl alcohol wipes.
| Larger sizes up to dn2000 are available in SDR17 / PN10 rating, dimensions on request. | |||||||||||
| Fully complies with DSD Appendix 5A, Clause 5.5.7. | |||||||||||
|
dn1000 tees are available in SDR11 / PN16 rating, dimensions on request. |
|||||||||||
| For smaller sizes use Electrofusion Tees above. | |||||||||||
| dn800 is the largest size pipe available in SDR9 / PN20 and therefore is also the largest tee size available. | |||||||||||
| PN10 SDR17 | PN16 SDR11 | PN20 SDR9 | PN25 SDR7.4 | dn1 | dn2 | L | le1 | le2 | Z1 | Z2 | Availability in Hong Kong |
| P5314.40.110 | P5316.40.110 | P5317.40.110 | P5318.40.110 | 110 | 110 | 525 | 150 | 180 | 263 | 290 | 6-8 Weeks |
| P5314.40.160 | P5316.40.160 | P5317.40.160 | P5318.40.160 | 160 | 160 | 525 | 150 | 180 | 263 | 290 | 6-8 Weeks |
| P5314.40.180 | P5316.40.180 | P5317.40.180 | P5318.40.180 | 180 | 180 | 545 | 150 | 220 | 273 | 340 | 6-8 Weeks |
| P5314.40.200 | P5316.40.200 | P5317.40.200 | P5318.40.200 | 200 | 200 | 575 | 150 | 220 | 288 | 355 | 6-8 Weeks |
| P5314.40.225 | P5316.40.225 | P5317.40.225 | P5318.40.225 | 225 | 225 | 600 | 150 | 220 | 300 | 368 | 6-8 Weeks |
| P5314.40.250 | P5316.40.250 | P5317.40.250 | P5318.40.250 | 250 | 250 | 830 | 250 | 220 | 415 | 380 | 6-8 Weeks |
| P5314.40.280 | P5316.40.280 | P5317.40.280 | P5318.40.280 | 280 | 280 | 890 | 250 | 220 | 345 | 400 | 6-8 Weeks |
| P5314.40.315 | P5316.40.315 | P5317.40.315 | P5318.40.315 | 315 | 315 | 1005 | 300 | 220 | 503 | 418 | 6-8 Weeks |
| P5314.40.355 | P5316.40.355 | P5317.40.355 | P5318.40.355 | 355 | 355 | 1045 | 300 | 280 | 523 | 498 | 6-8 Weeks |
| P5314.40.400 | P5316.40.400 | P5317.40.400 | P5318.40.400 | 400 | 400 | 1100 | 300 | 280 | 550 | 525 | 6-8 Weeks |
| P5314.40.450 | P5316.40.450 | P5317.40.450 | P5318.40.450 | 450 | 450 | 1160 | 300 | 280 | 580 | 555 | 6-8 Weeks |
| P5314.40.500 | P5316.40.500 | P5317.40.500 | - | 500 | 500 | 1310 | 350 | 320 | 655 | 620 | 6-8 Weeks |
| P5314.40.560 | P5316.40.560 | P5317.40.560 | - | 560 | 560 | 1380 | 350 | 320 | 690 | 655 | 6-8 Weeks |
| P5314.40.630 | P5316.40.630 | P5317.40.630 | - | 630 | 630 | 1450 | 350 | 320 | 725 | 690 | 6-8 Weeks |
| P5314.40.710 | P5316.40.710 | P5317.40.710 | - | 710 | 710 | 1530 | 350 | 400 | 765 | 810 | 12-14 weeks |
| P5314.40.800 | P5316.40.800 | P5317.40.800 | - | 800 | 800 | 1660 | 350 | 400 | 830 | 875 | 12-14 weeks |
| P5314.40.900 | P5316.40.900 | - | - | 900 | 900 | 1860 | 400 | 500 | 930 | 1020 | 12-14 weeks |
| P5314.40.1000 | P5316.40.1000 | - | - | 1000 | 1000 | 1960 | 400 | 500 | 980 | 1070 | 12-14 weeks |
| P5314.40.1200 | - | - | - | 1200 | 1200 | 2170 | 400 | 600 | 1085 | 1270 | 12-14 weeks |
| P2314.40.1400 | - | - | - | 1400 | 1400 | Available on request | Contact us | ||||
| P2314.40.1600 | - | - | - | 1600 | 1600 | Available on request | Contact us | ||||
| P2314.40.1800 | - | - | - | 1800 | 1800 | Available on request | Contact us | ||||
| P2314.40.2000 | - | - | - | 2000 | 2000 | Available on request | Contact us | ||||
Black Electrofusion Equal Tee / T XL / PN16 / SDR11
Friatec's PE100 XL range of electrofusion Tee's are suitable for fusing pipes from SDR11 to SDR17.6 Electrofusion sockets feature all the same performance benefits found with black couplers along with built-in reinforcement, so no de-ration is required. XL fittings have separate fusion zones and a fused eyebolt for ease of handling on site.
NOTE: The electrofusion socket and pipe ends must be prepared in accordance with the general installation instructions using a spigot mechanical peeler, 90% Isopropyl alcohol wipes and we recommend using the Friamat fusion control unit to achieve correct preheating and logging the full range of weld data available.
|
Product Code |
dn |
D1 |
L |
L1 |
L2 |
Z1 |
Z2 |
Availability in Hong Kong |
|
P3316.122.250 |
250 |
310 |
770 |
128 |
80 |
514 |
257 |
8-12 weeks |
|
P3316.122.280 |
280 |
350 |
905 |
139 |
84 |
627 |
316 |
8-12 weeks |
|
P3316.122.315 |
315 |
396 |
940 |
150 |
80 |
640 |
322 |
8-12 weeks |
Black Electrofusion Equal Tee / T / PN16 / SDR11
Friatec's PE100 Injection moulded electrofusion Tees are suitable for fusing pipes from SDR11 to SDR17.6 Electrofusion sockets feature all the same performance benefits found in black couplers, along with built-in reinforcement, so no de-ration is required.
NOTE: The pipe ends and sockets must be prepared in accordance with the general installation instructions using a spigot mechanical peeler, 90% Isopropyl alcohol wipes and we recommend using the Friamat fusion control unit to achieve correct preheating and logging the full range of weld data available.
|
Product Code |
dn |
D1 |
L |
L1 |
L2 |
Z1 |
Z2 |
Availability in Hong Kong |
|
P3316.122.090 |
90 |
117 |
305 |
79 |
44 |
73.5 |
153 |
8-12 weeks |
|
P3316.122.110 |
110 |
142 |
355 |
87 |
48 |
90.5 |
177 |
8-12 weeks |
|
P3316.122.125 |
125 |
160 |
384 |
87 |
44 |
105 |
192 |
8-12 weeks |
|
P3316.122.160 |
160 |
200 |
430 |
96 |
48 |
119 |
215 |
8-12 weeks |
|
P3316.122.180 |
180 |
228 |
480 |
103 |
62 |
137 |
240 |
8-12 weeks |
|
P3316.122.200 |
200 |
251 |
550 |
115 |
54 |
160 |
275 |
8-12 weeks |
|
P3316.122.225 |
225 |
280 |
580 |
118 |
63 |
172 |
290 |
8-12 weeks |
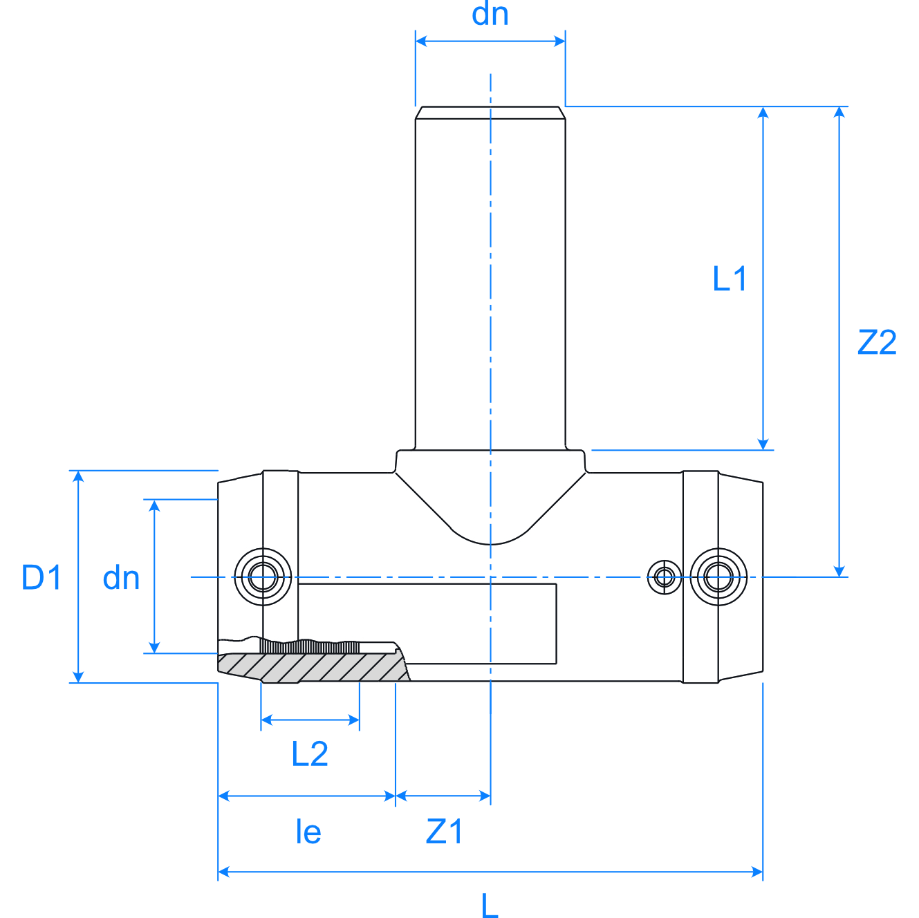
Black Electrofusion Equal Tee / Spigot Offtake / TA / PN16 / SDR11
Friatec's PE100 Injection moulded electrofusion Tees are suitable for fusing pipes from SDR11 to SDR17.6 Electrofusion sockets feature all the same performance benefits found in black couplers, along with built-in reinforcement, so no de-ration is required.
Injection moulded tee piece with electrofusion sockets on the mainway and an extra-long spigot branch outlet for connection using a black MB coupler.
NOTE: The pipe ends and sockets must be prepared in accordance with the general installation instructions using a spigot mechanical peeler, 90% Isopropyl alcohol wipes and we recommend using the Friamat fusion control unit to achieve correct preheating and logging the full range of weld data available.
| Product Code | dn | D1 | L | L1 | L2 | le | Z1 | Z2 | Availability in Hong Kong |
| P3316.120.063 | 63 | 81 | 197 | 56 | 33 | 115 | 42 | 162.5 | 8-12 weeks |
| P3316.120.090 | 90 | 116 | 280 | 79 | 43 | 79 | 61 | 161.0 | 8-12 weeks |
| P3316.120.110 | 110 | 141 | 310 | 82 | 48 | 82 | 73 | 176.0 | 8-12 weeks |
| P3316.120.160 | 160 | 203 | 390 | 98 | 45 | 98 | 97 | 224.0 | 8-12 weeks |
