Black Reducing Tees / EF / SP
Black Reducing Tees / Fabricated
Fabricated Tee's are manufactured by machining PE100+ hollow bar into a fitting body and welding on spigot ends in according with BS ISO 21307. Fabricated Tee's feature long spigots for electrofusion or butt fusion joining and 1D and 2D bar code stickers for complete product traceability.
NOTE: The spigot ends must be prepared in accordance with the general installation instructions using a spigot mechanical peeler, 90% Isopropyl alcohol wipes.
| Larger sizes up to dn2000 with offtakes from dn180 to dn1800 are available in SDR 17 / PN10 / rating. Dimensions on request. | |||||||||||
| Larger sizes up to dn1000 with offtakes from dn180 to dn900 are available in SDR11 / PN16 rating. Dimensions on request. | |||||||||||
| Larger sizes up to dn800 with offtakes from dn180 to dn700 are available inSDR9 / PN20 rating. Dimensions on request. | |||||||||||
| These tees fully comply with DSD Appendix 5A, Clause 5.5.7. | |||||||||||
| PN10 SDR17 | PN16 SDR11 | PN20 SDR9 | PN25 SDR7.4 | dn1 | dn2 | L | le1 | le2 | Z1 | Z2 | Availability in Hong Kong |
| P5314.41.110063 | P5316.41.110063 | P5317.41.110063 | P5318.41.110063 | 110 | 63 | 420 | 150 | 180 | 210 | 285 | 6-8 Weeks |
| P5314.41.110090 | P5316.41.110090 | P5317.41.110090 | P5318.41.110090 | 110 | 90 | 445 | 150 | 180 | 223 | 285 | 6-8 Weeks |
| P5314.41.160063 | P5316.41.160063 | P5317.41.160063 | P5318.41.160063 | 160 | 63 | 420 | 150 | 180 | 210 | 285 | 6-8 Weeks |
| P5314.41.160090 | P5316.41.160090 | P5317.41.160090 | P5318.41.160090 | 160 | 90 | 445 | 150 | 180 | 223 | 285 | 6-8 Weeks |
| P5314.41.160110 | P5316.41.160110 | P5317.41.160110 | P5318.41.160110 | 160 | 110 | 465 | 150 | 180 | 233 | 285 | 6-8 Weeks |
| P5314.41.160125 | P5316.41.160125 | P5317.41.160125 | P5318.41.160125 | 160 | 125 | 480 | 150 | 180 | 240 | 285 | 6-8 Weeks |
| P5314.41.180063 | P5316.41.180063 | P5317.41.180063 | P5318.41.180063 | 180 | 63 | 420 | 150 | 180 | 210 | 295 | 6-8 Weeks |
| P5314.41.180090 | P5316.41.180090 | P5317.41.180090 | P5318.41.180090 | 180 | 90 | 450 | 150 | 180 | 225 | 295 | 6-8 Weeks |
| P5314.41.180110 | P5316.41.180110 | P5317.41.180110 | P5318.41.180110 | 180 | 110 | 465 | 150 | 180 | 233 | 295 | 6-8 Weeks |
| P5314.41.180125 | P5316.41.180125 | P5317.41.180125 | P5318.41.180125 | 180 | 125 | 480 | 150 | 180 | 240 | 295 | 6-8 Weeks |
| P5314.41.180160 | P5316.41.180160 | P5317.41.180160 | P5318.41.180160 | 180 | 160 | 530 | 150 | 180 | 265 | 300 | 6-8 Weeks |
| P5314.41.200063 | P5316.41.200063 | P5317.41.200063 | P5318.41.200063 | 200 | 63 | 420 | 150 | 180 | 210 | 305 | 6-8 Weeks |
| P5314.41.200090 | P5316.41.200090 | P5317.41.200090 | P5318.41.200090 | 200 | 90 | 445 | 150 | 180 | 223 | 305 | 6-8 Weeks |
| P5314.41.200110 | P5316.41.200110 | P5317.41.200110 | P5318.41.200110 | 200 | 110 | 470 | 150 | 180 | 235 | 305 | 6-8 Weeks |
| P5314.41.200125 | P5316.41.200125 | P5317.41.200125 | P5318.41.200125 | 200 | 125 | 480 | 150 | 180 | 240 | 305 | 6-8 Weeks |
| P5314.41.200160 | P5316.41.200160 | P5317.41.200160 | P5318.41.200160 | 200 | 160 | 530 | 150 | 180 | 265 | 310 | 6-8 Weeks |
| P5314.41.200180 | P5316.41.200180 | P5317.41.200180 | P5318.41.200180 | 200 | 180 | 550 | 150 | 220 | 275 | 350 | 6-8 Weeks |
| P5314.41.225063 | P5316.41.225063 | P5317.41.225063 | P5318.41.225063 | 225 | 63 | 420 | 150 | 180 | 210 | 318 | 6-8 Weeks |
| P5314.41.225090 | P5316.41.225090 | P5317.41.225090 | P5318.41.225090 | 225 | 90 | 445 | 150 | 180 | 223 | 318 | 6-8 Weeks |
| P5314.41.225110 | P5316.41.225110 | P5317.41.225110 | P5318.41.225110 | 225 | 110 | 470 | 150 | 180 | 235 | 318 | 6-8 Weeks |
| P5314.41.225125 | P5316.41.225125 | P5317.41.225125 | P5318.41.225125 | 225 | 125 | 480 | 150 | 180 | 240 | 318 | 6-8 Weeks |
| P5314.41.225160 | P5316.41.225160 | P5317.41.225160 | P5318.41.225160 | 225 | 160 | 530 | 150 | 180 | 265 | 323 | 6-8 Weeks |
| P5314.41.225180 | P5316.41.225180 | P5317.41.225180 | P5318.41.225180 | 225 | 180 | 550 | 150 | 220 | 275 | 363 | 6-8 Weeks |
| P5314.41.225200 | P5316.41.225200 | P5317.41.225200 | P5318.41.225200 | 225 | 200 | 570 | 150 | 220 | 285 | 363 | 6-8 Weeks |
| P5314.41.250063 | P5316.41.250063 | P5317.41.250063 | P5318.41.250063 | 250 | 63 | 620 | 250 | 180 | 310 | 330 | 6-8 Weeks |
| P5314.41.250090 | P5316.41.250090 | P5317.41.250090 | P5318.41.250090 | 250 | 90 | 645 | 250 | 180 | 323 | 330 | 6-8 Weeks |
| P5314.41.250110 | P5316.41.250110 | P5317.41.250110 | P5318.41.250110 | 250 | 110 | 670 | 250 | 180 | 335 | 330 | 6-8 Weeks |
| P5314.41.250125 | P5316.41.250125 | P5317.41.250125 | P5318.41.250125 | 250 | 125 | 680 | 250 | 180 | 340 | 330 | 6-8 Weeks |
| P5314.41.250160 | P5316.41.250160 | P5317.41.250160 | P5318.41.250160 | 250 | 160 | 730 | 250 | 180 | 365 | 335 | 6-8 Weeks |
| P5314.41.250180 | P5316.41.250180 | P5317.41.250180 | P5318.41.250180 | 250 | 180 | 750 | 250 | 220 | 375 | 375 | 6-8 Weeks |
| P5314.41.250200 | P5316.41.250200 | P5317.41.250200 | P5318.41.250200 | 250 | 200 | 770 | 250 | 220 | 385 | 375 | 6-8 Weeks |
| P5314.41.250225 | P5316.41.250225 | P5317.41.250225 | P5318.41.250225 | 250 | 225 | 790 | 250 | 220 | 395 | 375 | 6-8 Weeks |
| P5314.41.280063 | P5316.41.280063 | P5317.41.280063 | P5318.41.280063 | 280 | 63 | 630 | 250 | 180 | 315 | 350 | 6-8 Weeks |
| P5314.41.280090 | P5316.41.280090 | P5317.41.280090 | P5318.41.280090 | 280 | 90 | 660 | 250 | 180 | 330 | 350 | 6-8 Weeks |
| P5314.41.280110 | P5316.41.280110 | P5317.41.280110 | P5318.41.280110 | 280 | 110 | 680 | 250 | 180 | 340 | 350 | 6-8 Weeks |
| P5314.41.280125 | P5316.41.280125 | P5317.41.280125 | P5318.41.280125 | 280 | 125 | 690 | 250 | 180 | 345 | 350 | 6-8 Weeks |
| P5314.41.280160 | P5316.41.280160 | P5317.41.280160 | P5318.41.280160 | 280 | 160 | 740 | 250 | 180 | 370 | 355 | 6-8 Weeks |
| P5314.41.280180 | P5316.41.280180 | P5317.41.280180 | P5318.41.280180 | 280 | 180 | 760 | 250 | 220 | 380 | 395 | 6-8 Weeks |
| P5314.41.280200 | P5316.41.280200 | P5317.41.280200 | P5318.41.280200 | 280 | 200 | 780 | 250 | 220 | 390 | 395 | 6-8 Weeks |
| P5314.41.280225 | P5316.41.280225 | P5317.41.280225 | P5318.41.280225 | 280 | 225 | 790 | 250 | 220 | 395 | 395 | 6-8 Weeks |
| P5314.41.280250 | P5316.41.280250 | P5317.41.280250 | P5318.41.280250 | 280 | 250 | 830 | 250 | 220 | 415 | 395 | 6-8 Weeks |
| P5314.41.315063 | P5316.41.315063 | P5317.41.315063 | P5318.41.315063 | 315 | 63 | 730 | 300 | 180 | 365 | 368 | 6-8 Weeks |
| P5314.41.315090 | P5316.41.315090 | P5317.41.315090 | P5318.41.315090 | 315 | 90 | 760 | 300 | 180 | 380 | 368 | 6-8 Weeks |
| P5314.41.315110 | P5316.41.315110 | P5317.41.315110 | P5318.41.315110 | 315 | 110 | 780 | 300 | 180 | 390 | 368 | 6-8 Weeks |
| P5314.41.315125 | P5316.41.315125 | P5317.41.315125 | P5318.41.315125 | 315 | 125 | 790 | 300 | 180 | 395 | 368 | 6-8 Weeks |
| P5314.41.315160 | P5316.41.315160 | P5317.41.315160 | P5318.41.315160 | 315 | 160 | 840 | 300 | 180 | 420 | 373 | 6-8 Weeks |
| P5314.41.315180 | P5316.41.315180 | P5317.41.315180 | P5318.41.315180 | 315 | 180 | 860 | 300 | 220 | 430 | 413 | 6-8 Weeks |
| P5314.41.315200 | P5316.41.315200 | P5317.41.315200 | P5318.41.315200 | 315 | 200 | 880 | 300 | 220 | 440 | 413 | 6-8 Weeks |
| P5314.41.315225 | P5316.41.315225 | P5317.41.315225 | P5318.41.315225 | 315 | 225 | 890 | 300 | 220 | 445 | 413 | 6-8 Weeks |
| P5314.41.315250 | P5316.41.315250 | P5317.41.315250 | P5318.41.315250 | 315 | 250 | 930 | 300 | 220 | 465 | 413 | 6-8 Weeks |
| P5314.41.315280 | P5316.41.315280 | P5317.41.315280 | P5318.41.315280 | 315 | 280 | 960 | 300 | 220 | 480 | 413 | 6-8 Weeks |
| P5314.41.355090 | P5316.41.355090 | P5317.41.355090 | P5318.41.355090 | 355 | 90 | 760 | 300 | 180 | 380 | 388 | 6-8 Weeks |
| P5314.41.355110 | P5316.41.355110 | P5317.41.110780 | P5318.41.355110 | 355 | 110 | 780 | 300 | 180 | 390 | 388 | 6-8 Weeks |
| P5314.41.355125 | P5316.41.355125 | P5317.41.355125 | P5318.41.355125 | 355 | 125 | 790 | 300 | 180 | 395 | 388 | 6-8 Weeks |
| P5314.41.355160 | P5316.41.355160 | P5317.41.355160 | P5318.41.355160 | 355 | 160 | 840 | 300 | 180 | 420 | 393 | 6-8 Weeks |
| P5314.41.355180 | P5316.41.355180 | P5317.41.355180 | P5318.41.355180 | 355 | 180 | 860 | 300 | 220 | 430 | 433 | 6-8 Weeks |
| P5314.41.355200 | P5316.41.355200 | P5317.41.355200 | P5318.41.355200 | 355 | 200 | 880 | 300 | 220 | 440 | 433 | 6-8 Weeks |
| P5314.41.355225 | P5316.41.355225 | P5317.41.355225 | P5318.41.355225 | 355 | 225 | 900 | 300 | 220 | 450 | 433 | 6-8 Weeks |
| P5314.41.355250 | P5316.41.355250 | P5317.41.355250 | P5318.41.355250 | 355 | 250 | 930 | 300 | 220 | 465 | 433 | 6-8 Weeks |
| P5314.41.355280 | P5316.41.355280 | P5317.41.355280 | P5318.41.355280 | 355 | 280 | 960 | 300 | 220 | 480 | 433 | 6-8 Weeks |
| P5314.41.355315 | P5316.41.355315 | P5317.41.355315 | P5318.41.355315 | 355 | 315 | 990 | 300 | 220 | 495 | 433 | 6-8 Weeks |
| P5314.41.400090 | P5316.41.400090 | P5317.41.400090 | P5318.41.400090 | 400 | 90 | 760 | 300 | 180 | 380 | 410 | 6-8 Weeks |
| P5314.41.400110 | P5316.41.400110 | P5317.41.400110 | P5318.41.400110 | 400 | 110 | 780 | 300 | 180 | 390 | 410 | 6-8 Weeks |
| P5314.41.400125 | P5316.41.400125 | P5317.41.400125 | P5318.41.400125 | 400 | 125 | 790 | 300 | 180 | 395 | 410 | 6-8 Weeks |
| P5314.41.400160 | P5316.41.400160 | P5317.41.400160 | P5318.41.400160 | 400 | 160 | 840 | 300 | 180 | 420 | 415 | 6-8 Weeks |
| P5314.41.400180 | P5316.41.400180 | P5317.41.400180 | P5318.41.400180 | 400 | 180 | 860 | 300 | 220 | 430 | 455 | 6-8 Weeks |
| P5314.41.400200 | P5316.41.400200 | P5317.41.400200 | P5318.41.400200 | 400 | 200 | 880 | 300 | 220 | 440 | 455 | 6-8 Weeks |
| P5314.41.400225 | P5316.41.400225 | P5317.41.400225 | P5318.41.400225 | 400 | 225 | 900 | 300 | 220 | 450 | 455 | 6-8 Weeks |
| P5314.41.400250 | P5316.41.400250 | P5317.41.400250 | P5318.41.400250 | 400 | 250 | 930 | 300 | 220 | 465 | 455 | 6-8 Weeks |
| P5314.41.400280 | P5316.41.400280 | P5317.41.400280 | P5318.41.400280 | 400 | 280 | 960 | 300 | 220 | 480 | 455 | 6-8 Weeks |
| P5314.41.400315 | P5316.41.400315 | P5317.41.400315 | P5318.41.400315 | 400 | 315 | 1000 | 300 | 220 | 500 | 455 | 6-8 Weeks |
| P5314.41.400355 | P5316.41.400355 | P5317.41.400355 | P5318.41.400355 | 400 | 355 | 1030 | 300 | 280 | 515 | 515 | 6-8 Weeks |
| P5314.41.450110 | P5316.41.450110 | P5317.41.450110 | P5318.41.450110 | 450 | 110 | 780 | 300 | 180 | 390 | 435 | 6-8 Weeks |
| P5314.41.450125 | P5316.41.450125 | P5317.41.450125 | P5318.41.450125 | 450 | 125 | 790 | 300 | 180 | 395 | 435 | 6-8 Weeks |
| P5314.41.450160 | P5316.41.450160 | P5317.41.450160 | P5318.41.450160 | 450 | 160 | 840 | 300 | 180 | 420 | 440 | 6-8 Weeks |
| P5314.41.450180 | P5316.41.450180 | P5317.41.450180 | P5318.41.450180 | 450 | 180 | 860 | 300 | 220 | 430 | 480 | 6-8 Weeks |
| P5314.41.450200 | P5316.41.450200 | P5317.41.450200 | P5318.41.450200 | 450 | 200 | 880 | 300 | 220 | 440 | 480 | 6-8 Weeks |
| P5314.41.450225 | P5316.41.450225 | P5317.41.450225 | P5318.41.450225 | 450 | 225 | 910 | 300 | 220 | 455 | 480 | 6-8 Weeks |
| P5314.41.450250 | P5316.41.450250 | P5317.41.450250 | P5318.41.450250 | 450 | 250 | 930 | 300 | 220 | 465 | 480 | 6-8 Weeks |
| P5314.41.450280 | P5316.41.450280 | P5317.41.450280 | P5318.41.450280 | 450 | 280 | 960 | 300 | 220 | 480 | 480 | 6-8 Weeks |
| P5314.41.450315 | P5316.41.450315 | P5317.41.450315 | P5318.41.450315 | 450 | 315 | 990 | 300 | 220 | 495 | 480 | 6-8 Weeks |
| P5314.41.450355 | P5316.41.450355 | P5317.41.450355 | P5318.41.450355 | 450 | 355 | 1030 | 300 | 280 | 515 | 540 | 6-8 Weeks |
| P5314.41.450400 | P5316.41.450400 | P5317.41.450400 | P5318.41.450400 | 450 | 400 | 1090 | 300 | 280 | 545 | 545 | 6-8 Weeks |
| P5314.41.500125 | P5316.41.500125 | P5317.41.500125 | - | 500 | 125 | 890 | 350 | 180 | 445 | 460 | 6-8 Weeks |
| P5314.41.500160 | P5316.41.500160 | P5317.41.500160 | - | 500 | 160 | 940 | 350 | 180 | 470 | 465 | 6-8 Weeks |
| P5314.41.500180 | P5316.41.500180 | P5317.41.500180 | - | 500 | 180 | 960 | 350 | 220 | 480 | 505 | 6-8 Weeks |
| P5314.41.500200 | P5316.41.500200 | P5317.41.500200 | - | 500 | 200 | 980 | 350 | 220 | 490 | 505 | 6-8 Weeks |
| P5314.41.500225 | P5316.41.500225 | P5317.41.500225 | - | 500 | 225 | 1010 | 350 | 220 | 505 | 505 | 6-8 Weeks |
| P5314.41.500250 | P5316.41.500250 | P5317.41.500250 | - | 500 | 250 | 1030 | 350 | 220 | 515 | 505 | 6-8 Weeks |
| P5314.41.500280 | P5316.41.500280 | P5317.41.500280 | - | 500 | 280 | 1060 | 350 | 220 | 530 | 505 | 6-8 Weeks |
| P5314.41.500315 | P5316.41.500315 | P5317.41.500315 | - | 500 | 315 | 1100 | 350 | 220 | 550 | 505 | 6-8 Weeks |
| P5314.41.500355 | P5316.41.500355 | P5317.41.500355 | - | 500 | 355 | 1140 | 350 | 280 | 570 | 565 | 6-8 Weeks |
| P5314.41.560160 | P5316.41.560160 | P5317.41.560160 | - | 560 | 160 | 940 | 350 | 180 | 470 | 495 | 6-8 Weeks |
| P5314.41.560180 | P5316.41.560180 | P5317.41.560180 | - | 560 | 180 | 960 | 350 | 220 | 480 | 535 | 6-8 Weeks |
| P5314.41.560200 | P5316.41.560200 | P5317.41.560200 | - | 560 | 200 | 980 | 350 | 220 | 490 | 535 | 6-8 Weeks |
| P5314.41.560225 | P5316.41.560225 | P5317.41.560225 | - | 560 | 225 | 1000 | 350 | 220 | 500 | 535 | 6-8 Weeks |
| P5314.41.560250 | P5316.41.560250 | P5317.41.560250 | - | 560 | 250 | 1030 | 350 | 220 | 515 | 535 | 6-8 Weeks |
| P5314.41.560280 | P5316.41.560280 | P5317.41.560280 | - | 560 | 280 | 1060 | 350 | 220 | 530 | 535 | 6-8 Weeks |
| P5314.41.560315 | P5316.41.560315 | P5317.41.560315 | - | 560 | 315 | 1090 | 350 | 220 | 545 | 535 | 6-8 Weeks |
| P5314.41.630160 | P5316.41.630160 | P5317.41.630160 | - | 630 | 160 | 940 | 350 | 180 | 470 | 530 | 6-8 Weeks |
| P5314.41.630180 | P5316.41.630180 | P5317.41.630180 | - | 630 | 180 | 960 | 350 | 220 | 480 | 570 | 6-8 Weeks |
| P5314.41.630200 | P5316.41.630200 | P5317.41.630200 | - | 630 | 200 | 980 | 350 | 220 | 490 | 570 | 6-8 Weeks |
| P5314.41.630225 | P5316.41.630225 | P5317.41.630225 | - | 630 | 225 | 1000 | 350 | 220 | 500 | 570 | 6-8 Weeks |
| P5314.41.630250 | P5316.41.630250 | P5317.41.630250 | - | 630 | 250 | 1030 | 350 | 220 | 515 | 570 | 6-8 Weeks |
| P5314.41.630280 | P5316.41.630280 | P5317.41.630280 | - | 630 | 280 | 1160 | 350 | 220 | 580 | 570 | 6-8 Weeks |
| P5314.41.630315 | P5316.41.630315 | P5317.41.630315 | - | 630 | 315 | 1090 | 350 | 220 | 545 | 570 | 6-8 Weeks |
| P5314.41.630355 | P5316.41.630355 | P5317.41.630355 | - | 630 | 355 | 1130 | 350 | 280 | 565 | 630 | 6-8 Weeks |
| P5314.41.630400 | P5316.41.630400 | P5317.41.630400 | - | 630 | 400 | 1190 | 350 | 280 | 595 | 635 | 6-8 Weeks |
| P5314.41. | P5316.41. | P5317.41. | 710 | ≤ 560 | Available on request | Contact us | |||||
| P5314.41. | P5316.41. | P5317.41. | - | 800 | ≤ 630 | Available on request | Contact us | ||||
| P5314.41. | P5316.41. | - | - | 900 | ≤ 710 | Available on request | Contact us | ||||
| P5314.41. | P5316.41. | - | - | 1000 | ≤ 800 | Available on request | Contact us | ||||
| P5314.41. | - | - | - | 1200 | ≤ 900 | Available on request | Contact us | ||||
| P5314.41. | - | - | - | 1400 | ≤ 1000 | Available on request | Contact us | ||||
| P5314.41. | - | - | - | 1600 | ≤ 1200 | Available on request | Contact us | ||||
| P5314.41. | - | - | - | 1800 | ≤ 1400 | Available on request | Contact us | ||||
| P5314.41. | - | - | - | 2000 | ≤ 1600 | Available on request | Contact us | ||||
Black Tees / TA RED / PN16 / SDR11
Friatec's PE100 Injection moulded electrofusion Tees are suitable for fusing pipes from SDR11 to SDR17.6 Electrofusion sockets feature all the same performance benefits found in black couplers, along with built-in reinforcement, so no de-ration is required.
Injection moulded tee piece with electrofusion sockets on the mainway and an extra-long spigot branch outlet for connection using a black MB coupler.
NOTE: The pipe ends and sockets must be prepared in accordance with the general installation instructions using a spigot mechanical peeler, 90% Isopropyl alcohol wipes and we recommend using the Friamat fusion control unit to achieve correct preheating and logging the full range of weld data available.
| Typically these size tees would be used for air valve connections, as they are too small for rising mains. | ||||||||||
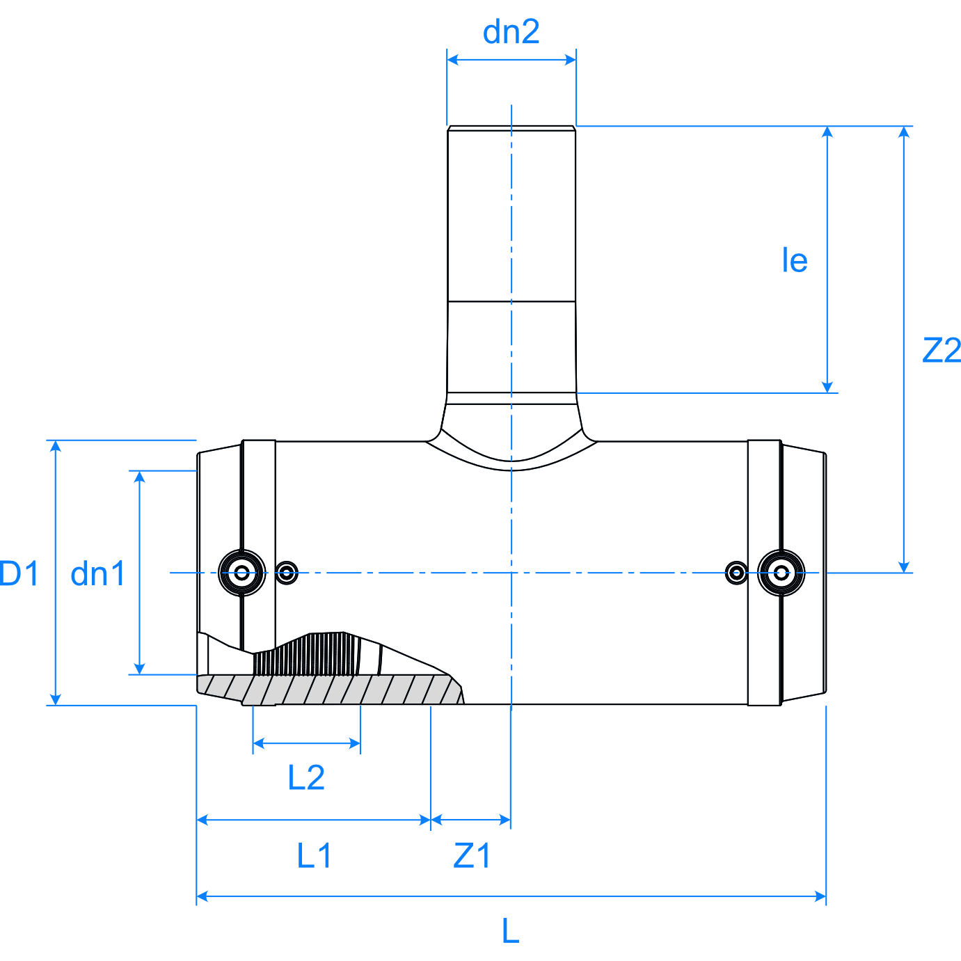
| Product Code | dn1 | dn2 | D1 | L | L1 | L2 | le | Z1 | Z2 | Availability in Hong Kong |
| P3316.20.063032 | 63 | 32 | 84 | 197 | 63 | 32 | 51 | 36 | 131 | 8-12 weeks |
| P3316.20.063050 | 63 | 50 | 84 | 197 | 63 | 32 | 60 | 36 | 155 | 8-12 weeks |
| P3316.20.090032 | 90 | 32 | 116 | 280 | 79 | 43 | 44 | 61 | 114 | 8-12 weeks |
| P3316.20.090063 | 90 | 63 | 116 | 280 | 79 | 43 | 63 | 61 | 133 | 8-12 weeks |
| P3316.20.110063 | 110 | 63 | 141 | 310 | 82 | 48 | 63 | 73 | 145 | 8-12 weeks |
| P3316.20.110090 | 110 | 90 | 141 | 310 | 82 | 48 | 79 | 73 | 173 | 8-12 weeks |
| P3316.20.160090 | 160 | 90 | 203 | 390 | 98 | 45 | 79 | 97 | 203 | 8-12 weeks |
| P3316.20.160110 | 160 | 110 | 203 | 390 | 98 | 45 | 82 | 97 | 206 | 8-12 weeks |
| P3316.20.160125 | 160 | 125 | 203 | 390 | 98 | 45 | 87 | 97 | 211 | 8-12 weeks |
Black Tees / T RED / PN16 / SDR11
Friatec's PE100 Injection moulded electrofusion Tees are suitable for fusing pipes from SDR11 to SDR17.6 Electrofusion sockets feature all the same performance benefits found in black couplers, along with built-in reinforcement, so no de-ration is required.
NOTE: The pipe ends and sockets must be prepared in accordance with the general installation instructions using a spigot mechanical peeler, 90% Isopropyl alcohol wipes and we recommend using the Friamat fusion control unit to achieve correct preheating and logging the full range of weld data available.
| Typically these size tees would be used for air valve connections as they are too small for rising mains. | ||||||||||
| Product Code | dn1 | dn2 | D1 | L | L1 | L2 | le | Z1 | Z2 | Availability in Hong Kong |
| P3316.22.090032 | 90 | 32 | 116 | 280 | 79 | 44 | 57 | 122 | 114 | 8-12 weeks |
| P3316.22.090063 | 90 | 63 | 116 | 280 | 79 | 44 | 63 | 122 | 133 | 8-12 weeks |
| P3316.22.110063 | 110 | 63 | 141 | 310 | 87 | 48 | 63 | 136 | 145 | 8-12 weeks |
| P3316.22.110090 | 110 | 90 | 141 | 310 | 87 | 48 | 79 | 136 | 173 | 8-12 weeks |
| P3316.22.160063 | 160 | 63 | 203 | 390 | 96 | 48 | 63 | 198 | 203 | 8-12 weeks |
| P3316.22.160110 | 160 | 110 | 203 | 390 | 96 | 48 | 82 | 198 | 206 | 8-12 weeks |
| P3316.22.160125 | 160 | 125 | 203 | 390 | 96 | 48 | 87 | 198 | 211 | 8-12 weeks |
Black Tees / T RED XL / PN16 / SDR11
| Product Code | dn1 | dn2 | D1 | L | L1 | L2 | le | Z1 | Z2 | Availability in Hong Kong |
| P3316.22.250110 | 250 | 110 | 310 | 770 | 128 | 80 | 82 | 514 | 250 | 8-12 weeks |
| P3316.22.250225 | 250 | 225 | 310 | 770 | 128 | 80 | 120 | 514 | 285 | 8-12 weeks |
| P3316.22.280110 | 280 | 110 | 350 | 905 | 139 | 84 | 82 | 627 | 265 | 8-12 weeks |
| P3316.22.280225 | 280 | 225 | 350 | 905 | 139 | 84 | 120 | 627 | 300 | 8-12 weeks |
| P3316.22.315110 | 315 | 110 | 396 | 940 | 150 | 80 | 82 | 640 | 287 | 8-12 weeks |
| P3316.22.315225 | 315 | 225 | 396 | 940 | 150 | 80 | 120 | 640 | 327 | 8-12 weeks |
