Black Tapping / Spigot Saddles
Black Spigot Saddle / SA TL / PN16 / SDR11
The Friatec SA TL electrofusion spigot saddles provide for small offtake connections typically for air valves or sampling points (such as pressure transducers) onto larger diameter rising mains. The SA TL can be installed during construction or post-construction when the pipeline is under normal operating pressure using under pressure tapping equipment. This prevents the main having to be shut down during the installation process.
The SA TL must be installed using a FRIATOOLS top-loading clamping unit, to apply and maintain force on the saddle during the fusing and cooling period. The Top Loading unit is available for rental.
Pressure testing of the saddle after fusion is recommended, before drilling the tapping hole into the main pipe.
|
Typically for use as DN50 or DN80 Air valve offtakes or sampling points. |
||||||
|
Product Code |
dn1 |
dn2 |
L1 |
le |
Z1 |
Availability in Hong Kong |
|
P3316.187.250-560063 |
250-560 |
63 |
200 |
56 |
109 |
8-12 Weeks |
|
P3316.187.250-560090 |
250-560 |
90 |
200 |
80 |
111 |
8-12 Weeks |
Black Spigot Saddle / SA UNI / PN16 / SDR11
As above, Friatec SA UNI electrofusion spigot saddles provide for small offtake connections typically for air valves or sampling points (such as pressure transducers) and can be installed during construction or post-construction when the pipeline is under normal operating pressure using under pressure tapping equipment. This prevents the main having to be shut down during the installation process.
Pressure testing of the saddle after fusion is recommended, before drilling the tapping hole into the main pipe. This is performed using the integrated pressure nozzle and pressure test adaptor - FWDPA.
Assembly is conducted using the FRIATOOLS clamping unit UNITOP. Tapping in the unpressurised condition can be achieved using the correct size hole saw.
| Product Code | dn1 | dn2 | da | L1 | L2 | le | Z1 | Availability in Hong Kong |
| P3316.187.250-280090 | 250-280 | 90 | 66 | 260 | 279 | 79 | 130 | 8-12 weeks |
| P3316.187.250-280110 | 250-280 | 110 | 82 | 260 | 279 | 82 | 140 | 8-12 weeks |
| P3316.187.250-280125 | 250-280 | 125 | 94 | 260 | 279 | 87 | 146 | 8-12 weeks |
| P3316.187.250-280160 | 250-280 | 160 | 123 | 260 | 279 | 98 | 158 | 8-12 weeks |
| P3316.187.315-400090 | 315-400 | 90 | 66 | 280 | 279 | 79 | 130 | 8-12 weeks |
| P3316.187.315-400110 | 315-400 | 110 | 82 | 280 | 279 | 82 | 140 | 8-12 weeks |
| P3316.187.315-400125 | 315-400 | 125 | 94 | 280 | 279 | 87 | 146 | 8-12 weeks |
| P3316.187.315-400160 | 315-400 | 160 | 123 | 280 | 279 | 98 | 158 | 8-12 weeks |
| P3316.187.450-800090 | 450-800 | 90 | 66 | 307 | 279 | 79 | 130 | 8-12 weeks |
| P3316.187.450-800110 | 450-800 | 110 | 82 | 307 | 279 | 82 | 140 | 8-12 weeks |
| P3316.187.450-800125 | 450-800 | 125 | 94 | 307 | 279 | 87 | 146 | 8-12 weeks |
| P3316.187.450-800160 | 450-800 | 160 | 123 | 307 | 279 | 98 | 158 | 8-12 weeks |
Black Spigot Saddle / SA XL / PN16 / SDR11
The Friatec SA XL electrofusion spigot saddles are used for making large diameter offtakes (up to dn355) on large diameter PE mains up to dn1200. In sewer rising mains these fitting would be used to install additional CCTV inspection points, or an inverted offtake for a drain scour, after the line is commissioned.
The SA XL can be installed during construction or post-construction when the pipeline is under normal operating pressure. Connections can be made 'live' using under pressure tapping equipment. This prevents the main having to be shut down during the installation process.
Pressure testing of the saddle after fusion is recommended, before drilling the tapping hole into the main pipe.
Assembly is conducted using a FRIATOOLS vacuum pump and the corresponding FRIATOOLS plunger. The vacuum unit sucks the saddle down onto the surface of the pipe providing the necessary force to achieve optimal electrofusion to the pipe surface. Tapping in the unpressurised condition can be achieved using the correct size hole saw.
| Product Code | dn1 | dn2 | da | h | L1 | L2 | le | Z1 | Availability in Hong Kong |
| P3316.187.400225 | 400 | 225 | 172 | 263 | 530 | 403 | 210 | 483 | 8-12 weeks |
| P3316.187.400250 | 400 | 250 | 187 | 261 | 530 | 417 | 210 | 483 | 8-12 weeks |
| P3316.187.450225 | 450 | 225 | 172 | 267 | 530 | 421 | 210 | 530 | 8-12 weeks |
| P3316.187.450250 | 450 | 250 | 187 | 272 | 530 | 426 | 210 | 530 | 8-12 weeks |
| P3316.187.500225 | 500 | 225 | 172 | 265 | 530 | 388 | 210 | 521 | 8-12 weeks |
| P3316.187.500250 | 500 | 250 | 187 | 263 | 530 | 380 | 210 | 521 | 8-12 weeks |
| P3316.187.500280 | 500 | 280 | 225 | 265 | 590 | 388 | 210 | 521 | 8-12 weeks |
| P3316.187.500315 | 500 | 315 | 254 | 268 | 590 | 446 | 210 | 573 | 8-12 weeks |
| P3316.187.560225 | 560 | 225 | 172 | 263 | 530 | 402 | 210 | 577 | 8-12 weeks |
| P3316.187.560250 | 560 | 250 | 187 | 263 | 530 | 398 | 210 | 577 | 8-12 weeks |
| P3316.187.560280 | 560 | 280 | 225 | 265 | 590 | 404 | 210 | 577 | 8-12 weeks |
| P3316.187.560315 | 560 | 315 | 254 | 268 | 590 | 402 | 210 | 564 | 8-12 weeks |
| P3316.187.560355 | 560 | 355 | 286 | 260 | 630 | 451 | 210 | 618 | 8-12 weeks |
| P3316.187.560400 | 560 | 400 | 322 | 260 | 630 | 451 | 210 | 618 | 8-12 weeks |
| P3316.187.630225 | 630 | 225 | 172 | 265 | 530 | 422 | 210 | 634 | 8-12 weeks |
| P3316.187.630250 | 630 | 250 | 187 | 267 | 530 | 419 | 210 | 634 | 8-12 weeks |
| P3316.187.630280 | 630 | 280 | 225 | 263 | 590 | 420 | 210 | 634 | 8-12 weeks |
| P3316.187.630315 | 630 | 315 | 254 | 265 | 590 | 417 | 210 | 621 | 8-12 weeks |
| P3316.187.630355 | 630 | 355 | 286 | 269 | 630 | 422 | 220 | 616 | 8-12 weeks |
| P3316.187.630400 | 630 | 400 | 322 | 267 | 630 | 419 | 220 | 616 | 8-12 weeks |
| P3316.187.710225 | 710 | 225 | 172 | 270 | 530 | 447 | 210 | 712 | 8-12 weeks |
| P3316.187.710250 | 710 | 250 | 187 | 265 | 530 | 437 | 210 | 712 | 8-12 weeks |
| P3316.187.710280 | 710 | 280 | 225 | 268 | 590 | 445 | 210 | 712 | 8-12 weeks |
| P3316.187.710315 | 710 | 315 | 254 | 268 | 590 | 439 | 210 | 694 | 8-12 weeks |
| P3316.187.710355 | 710 | 355 | 286 | 285 | 630 | 457 | 220 | 694 | 8-12 weeks |
| P3316.187.710400 | 710 | 400 | 322 | 275 | 630 | 447 | 220 | 694 | 8-12 weeks |
| P3316.187.800225 | 800 | 225 | 172 | 270 | 530 | 381 | 210 | 643 | 8-12 weeks |
| P3316.187.800250 | 800 | 250 | 187 | 275 | 530 | 384 | 210 | 643 | 8-12 weeks |
| P3316.187.800280 | 800 | 280 | 225 | 268 | 590 | 382 | 210 | 643 | 8-12 weeks |
| P3316.187.800315 | 800 | 315 | 254 | 268 | 590 | 377 | 210 | 629 | 8-12 weeks |
| P3316.187.800355 | 800 | 355 | 286 | 290 | 630 | 483 | 220 | 772 | 8-12 weeks |
| P3316.187.800400 | 800 | 400 | 322 | 275 | 630 | 468 | 220 | 772 | 8-12 weeks |
| P3316.187.900225 | 900 | 225 | 172 | 268 | 530 | 396 | 210 | 714 | 8-12 weeks |
| P3316.187.900250 | 900 | 250 | 187 | 278 | 530 | 402 | 210 | 714 | 8-12 weeks |
| P3316.187.900280 | 900 | 280 | 225 | 268 | 590 | 396 | 210 | 714 | 8-12 weeks |
| P3316.187.900315 | 900 | 315 | 254 | 269 | 590 | 393 | 210 | 700 | 8-12 weeks |
| P3316.187.900355 | 900 | 355 | 286 | 305 | 630 | 429 | 220 | 700 | 8-12 weeks |
| P3316.187.900400 | 900 | 400 | 322 | 275 | 630 | 399 | 220 | 700 | 8-12 weeks |
| P3316.187.1000160 | 1000 | 160 | 123 | 300 | 530 | 390 | 249 | 654 | 8-12 weeks |
| P3316.187.1000225 | 1000 | 225 | 172 | 270 | 530 | 396 | 210 | 653 | 8-12 weeks |
| P3316.187.1000250 | 1000 | 250 | 187 | 280 | 530 | 366 | 210 | 653 | 8-12 weeks |
| P3316.187.1000280 | 1000 | 280 | 225 | 270 | 590 | 361 | 210 | 653 | 8-12 weeks |
| P3316.187.1000315 | 1000 | 315 | 254 | 270 | 590 | 358 | 210 | 642 | 8-12 weeks |
| P3316.187.1000355 | 1000 | 355 | 286 | 305 | 630 | 444 | 220 | 774 | 8-12 weeks |
| P3316.187.1000400 | 1000 | 400 | 322 | 278 | 630 | 417 | 220 | 774 | 8-12 weeks |
| P3316.187.1200160 | 1200 | 160 | 123 | 300 | 530 | 375 | 250 | 655 | 8-12 weeks |
| P3316.187.1200225 | 1200 | 225 | 172 | 270 | 530 | 346 | 210 | 655 | 8-12 weeks |
| P3316.187.1200250 | 1200 | 250 | 187 | 280 | 530 | 354 | 210 | 655 | 8-12 weeks |
| P3316.187.1200280 | 1200 | 280 | 225 | 270 | 590 | 345 | 210 | 655 | 8-12 weeks |
| P3316.187.1200315 | 1200 | 315 | 254 | 270 | 590 | 343 | 210 | 645 | 8-12 weeks |
| P3316.187.1200355 | 1200 | 355 | 286 | 305 | 630 | 413 | 220 | 759 | 8-12 weeks |
| P3316.187.1200400 | 1200 | 400 | 322 | 278 | 630 | 385 | 220 | 759 | 8-12 weeks |
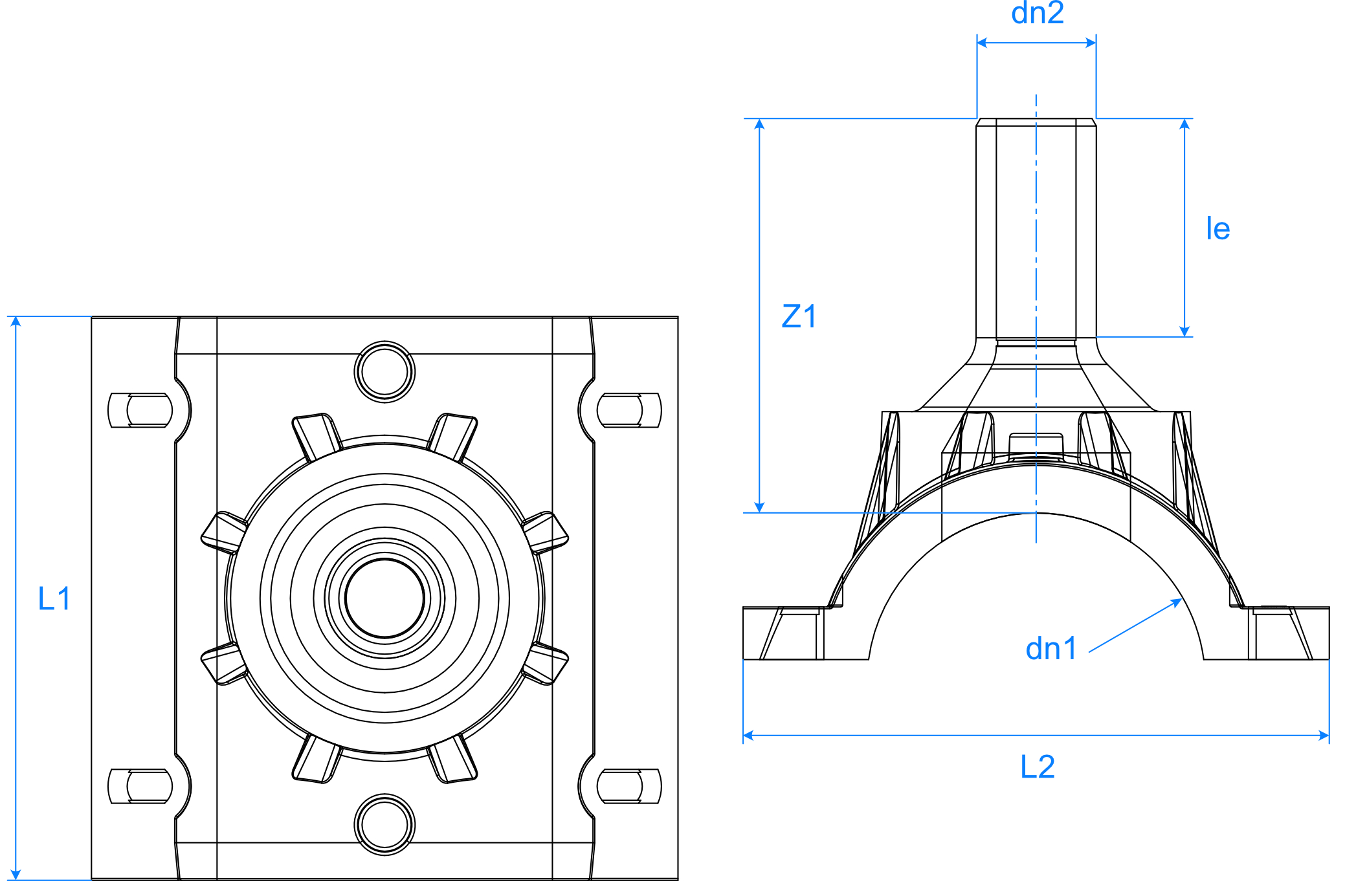
Black Spigot Saddle / SA / PN16 / SDR11
The Friatec SA electrofusion spigot saddles with bolt-on underpart can be installed during construction or post-construction when the pipeline is under normal operating pressure. Connections can be made 'live' using under pressure tapping equipment. This prevents the main having to be shut down during the installation process.
Pressure testing of the saddle after fusion is recommended, before drilling the tapping hole into the main pipe.
Friatec spigot offtake saddle Installation can be either during construction or post-construction when the pipeline is under normal operating pressure. This prevents the main having to be shut down during the installation process.
| Product Code | dn1 | dn2 | L1 | L2 | le | Z1 | Availability in Hong Kong |
| P3316.083.110063 | 110 | 63 | 180 | 178 | 81 | 150 | 8-12 weeks |
| P3316.083.110090 | 110 | 90 | 180 | 165 | 79 | 115 | 8-12 weeks |
| P3316.083.125063 | 125 | 63 | 185 | 190 | 63 | 109 | 8-12 weeks |
| P3316.083.125090 | 125 | 90 | 185 | 185 | 79 | 116 | 8-12 weeks |
| P3316.083.125110 | 125 | 110 | 185 | 185 | 82 | 116 | 8-12 weeks |
| P3316.083.160063 | 160 | 63 | 265 | 223 | 63 | 126 | 8-12 weeks |
| P3316.083.160090 | 160 | 90 | 265 | 223 | 79 | 140 | 8-12 weeks |
| P3316.083.160110 | 160 | 110 | 265 | 223 | 82 | 140 | 8-12 weeks |
| P3316.083.160125 | 160 | 125 | 265 | 223 | 87 | 140 | 8-12 weeks |
| P3316.083.180063 | 180 | 63 | 195 | 240 | 63 | 100 | 8-12 weeks |
| P3316.083.180090 | 180 | 90 | 285 | 241 | 79 | 116 | 8-12 weeks |
| P3316.083.180110 | 180 | 110 | 285 | 241 | 82 | 136 | 8-12 weeks |
| P3316.083.180125 | 180 | 125 | 285 | 241 | 87 | 141 | 8-12 weeks |
| P3316.083.200063 | 200 | 63 | 195 | 250 | 63 | 109 | 8-12 weeks |
| P3316.083.225063 | 225 | 63 | 195 | 255 | 63 | 109 | 8-12 weeks |
| P3316.083.225090 | 225 | 90 | 279 | 284 | 79 | 130 | 8-12 weeks |
| P3316.083.225110 | 225 | 110 | 279 | 284 | 82 | 140 | 8-12 weeks |
| P3316.083.225125 | 225 | 125 | 279 | 284 | 87 | 146 | 8-12 weeks |
| P3316.083.225160 | 225 | 160 | 279 | 284 | 98 | 157 | 8-12 weeks |
