Blue Reducing Tees / SP
Blue Spigot Reducing Tees / PN16 / SDR11
Mill-Pro PE100 RC Injection moulded spigot Tees are manufactured using Mill-Pro's own tooling under our continuous inspection. They feature long spigots for electrofusion or butt fusion joining and built-in reinforcement that exceeds the type testing requirements of BS EN 12201-2 and ISO 4427-3. Mill-Pro fittings feature hard moulded brand, batch numbers for compliance checking and 1D and 2D bar code stickers for complete product traceability. All Tee's are sealed in individual plastic bags for protection on site. Spigot fittings are joined by Electrofusion Couplers or Butt Fusion.
NOTE: The pipe and spigot ends must be prepared in accordance with the general installation instructions using a spigot mechanical peeler, 90% Isopropyl alcohol wipes.
| For non-standard off-takes, Mill-Pro can supply fabricated blue tees in any combination, such as a dn63 outlet on DN/OD 315 mainway where space is limited, contact us for availability. | |||||||
| For sizes > DN/OD 315, use black fabricated reducing tees. | |||||||
|
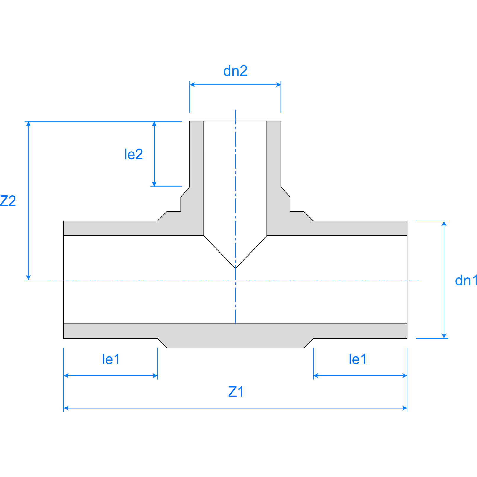
Product Code |
dn1 |
dn2 |
le1 |
le2 |
Z1 |
Z2 |
Availability in Hong Kong |
|
P5826.22.250090 |
250 |
90 |
135 |
84 |
440 |
249 |
Ex-Stock |
|
P5826.22.250125 |
250 |
125 |
135 |
92 |
457 |
257 |
Ex-Stock |
|
P5826.22.250180 |
250 |
180 |
135 |
110 |
530 |
275 |
Ex-Stock |
|
P5826.22.315090 |
315 |
90 |
155 |
84 |
504 |
294 |
Ex-Stock |
|
P5826.22.315125 |
315 |
125 |
155 |
92 |
539 |
302 |
Ex-Stock |
|
P5826.22.315180 |
315 |
180 |
155 |
110 |
594 |
320 |
Ex-Stock |
|
P5826.22.315250 |
315 |
250 |
155 |
135 |
664 |
345 |
Ex-Stock |
